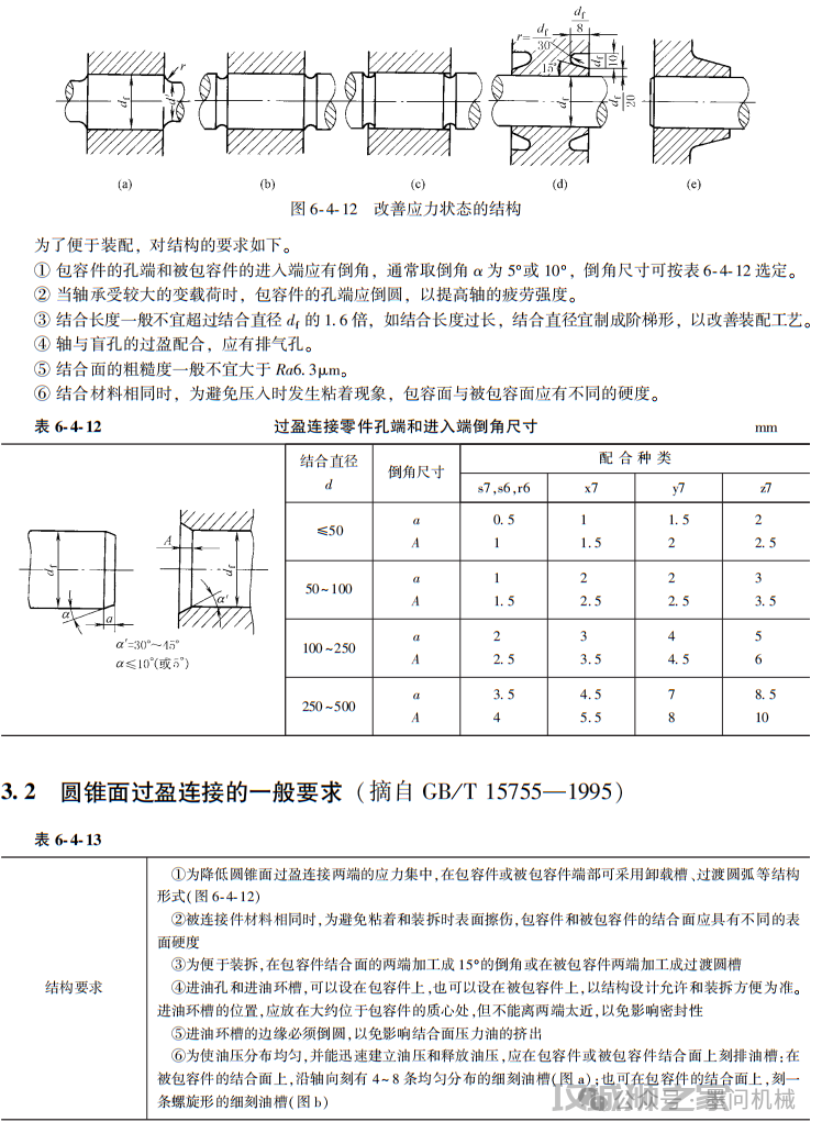
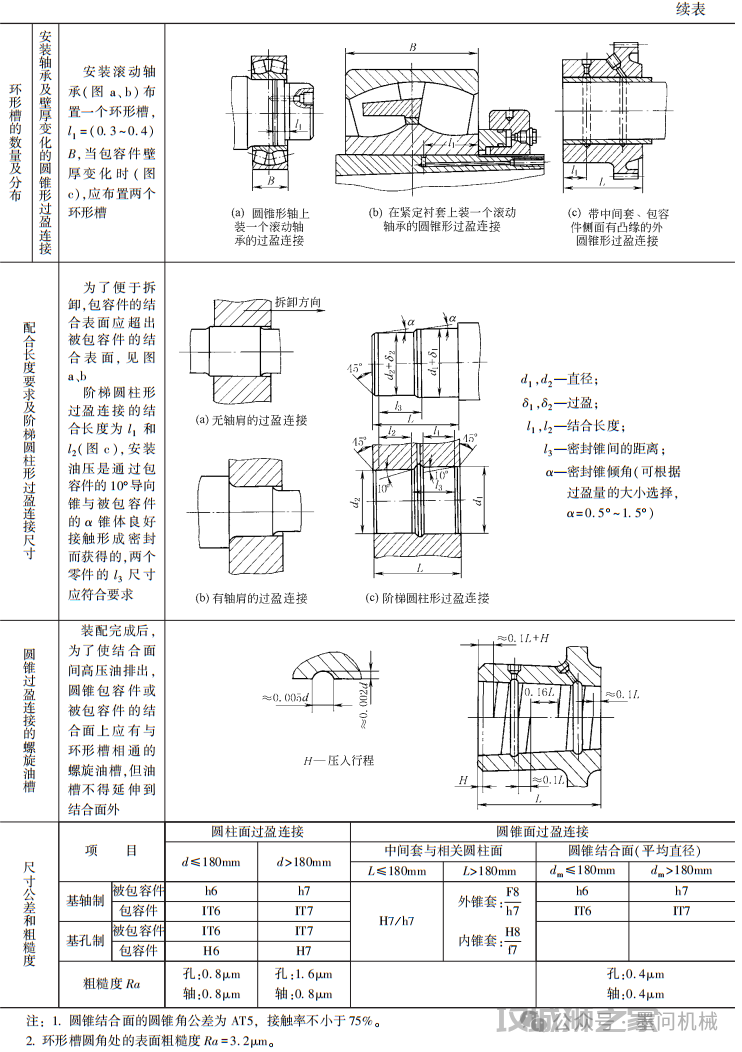
过盈配合公差的选择与计算公式如下:
一、过盈配合公差的选择
过盈配合公差的选择取决于具体的设计需求和机械部件的工作条件。一般来说,过盈配合用于需要高精度和稳定连接的场合。在选择配合等级时,如H8/s7适用于基础需求,而H7/p6则能提供更高的精度。设计师需要根据实际情况,如轴的直径、孔的直径、工作载荷、工作环境等因素,综合考虑后确定合适的配合公差等级。
二、过盈配合的计算公式
最小过盈量Ymin:
计算公式:Ymin = 孔的最大尺寸 轴的最小尺寸
在实例中,Φ30H7/p6配合的最小过盈量为:Ymin = 30.021mm 30.022mm = 0.001mm
最大过盈量Ymax:
计算公式:Ymax = 孔的最小尺寸 轴的最大尺寸
在实例中,Φ30H7/p6配合的最大过盈量为:Ymax = 30.000mm 30.035mm = 0.035mm
注意:过盈配合的最小和最大过盈量通常为负值,这表示轴和孔之间存在微小的间隙,但由于孔的尺寸小于轴,因此在实际装配时,轴需要被强制压入孔中,形成过盈配合。























